万向联轴器,弹性联轴器,梅花联轴器,江苏联轴器厂家镇江铭阳重工机械有限公司关于我们|联系我们|

镇江铭阳重工机械有限公司

联轴器专业生产厂家
多年行业经验,数家客户见证

全国服务热线:

13094954288

他们都在找:BHJ-F球笼等速万向节BJ-DD球笼式联轴器ML梅花联轴器SWC-BH标准伸缩焊接式十字轴式万向轴SWC350-DH型(短伸缩焊接式)万向联轴器SWC160带伸缩万向轴SWC-I型万向联轴器SWC90-I万向传动轴LM/ML基本型梅花形弹性联轴器BHJ球笼等速万向联轴器BHJ球笼万向联轴器LZ(原ZL)型弹性柱销齿式联轴器JMⅡ型无沉孔基本型膜片联轴器GICLZ型接中间轴宽型鼓形齿式联轴器SWP-C无伸缩短型十字轴式万向联轴器非标SWC万向联轴器

联系铭阳
咨询热线:
0511-84512875

联系人:姚经理

技术咨询:13094954288

24h服务热线:15850445505

邮箱:zj_myzg@163.com

在线咨询: 在线咨询

地址:江苏省镇江市丹徒区G312(沪霍线)(可直接导航至镇江铭阳重工机械有限公司)

微信:

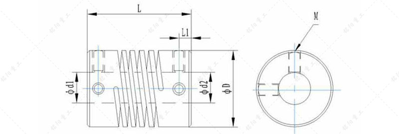
E型绕线联轴器

文章出处:镇江铭阳重工人气:发表时间:2018-03-30

E型绕线联轴器
EC型绕线联轴器